8 (800) 775 40 55
Звонок из регионов России
бесплатный!
бесплатный!
Профессиональный строительный инструмент и оборудование
Каталог инструментов
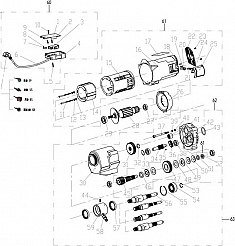
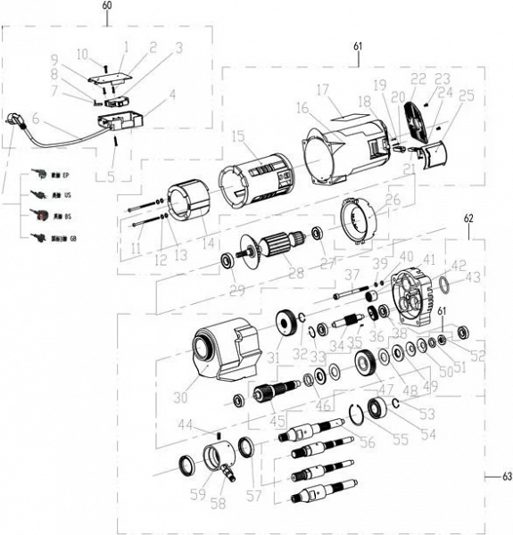
Установка алмазного бурения Saturn OB-180
Установка алмазного бурения Saturn OB-180 (Сатурн ОБ-180) предназначена для сверления круглых отверстий Ø 20 – 180 мм в бетонных, железобетонных, базальтовых, асфальтовых и других поверхностях под трубы вентиляции, теплоснабжения, водоснабжения и подобных коммуникаций.
Производитель: SATURN (САТУРН) – Россия.
Преимущества установки алмазного бурения Saturn OB-180:
- Корпус двигателя из алюминия хорошо отводит тепло во время работы
- Небольшой вес
- Рукоятка для переноса
- Поставляется в картонной коробке
Цена и технические характеристики установки алмазного бурения Saturn OB-180:
Оборудование для алмазного бурения
- Установка алмазного бурения
- Установка алмазного бурения с микроударом
- Дрель алмазного сверления
- Дрель с микроударом для алмазного бурения
- Керноотборник для асфальтобетона
- Двигатель алмазного бурения
- Двигатель алмазного бурения с микроударом
- Станина для алмазного бурения
- Станина для алмазного бурения с микроударом
- Алмазные коронки
- Доп. оборудование к технике алмазного бурения
-
Универсальный складной трубный верстак-тренога с цепными тисками Remmers Tristand 1/8-6Диаметр труб: 3 - 150 мм (1/8" - 6")Нагрузка: 600 кгЦена: 33 990 руб.
-
Бесщеточная дрель с микроударом для алмазного бурения Keos Pulsar KS-158Диаметр отверстий: 10 - 132 ммМощность: 1,8 кВтЦена: 39 900 руб.
-
Алмазная коронка для сухого бурения с микроударом Адель Diamond Hit DH-D400 56 ммДиаметр: 56 ммРабочая длина: 450 ммЦена: 4 800 руб.
-
Коронка алмазная по бетону Golden Dragon М22 51/370 ммДиаметр: 51 ммРабочая длина: 300 ммЦена: 1 890 руб.
-
Алмазные коронки по железобетону Kern Diamond Bit Concrete Premium 142 ммДиаметр: 142 ммРабочая длина: 450 ммЦена: 15 500 руб.
-
Алмазная коронка для сухого бурения с микроударом Адель Diamond Hit DH-D401 172 ммДиаметр: 172 ммРабочая длина: 450 ммЦена: 15 600 руб.
-
Алмазные коронки по железобетону Kern Diamond Bit Concrete Premium 162 ммДиаметр: 162 ммРабочая длина: 450 ммЦена: 18 500 руб.
-
Алмазная коронка для сухого бурения с микроударом Адель Diamond Hit DH-D400 28 ммДиаметр: 28 ммРабочая длина: 450 ммЦена: 3 400 руб.
Новости
-
26.11.2025Новые поступления для серьёзной работы: спираль и адаптер от Crocodile
-
21.11.2024Поступление желобонакатчиков GruvMaster - Новинка на Российском рынке!
-
27.12.2023С новым 2024 годом!
-
20.12.2022Режим работы в Новогодние праздники
-
12.10.2022ФСБ сообщила о попытке теракта с ПЗРК «Игла» в Подмосковье











Отзывы
Оставьте Ваш отзыв